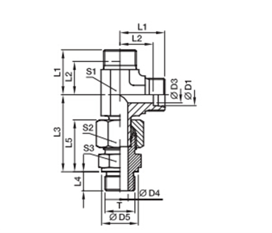
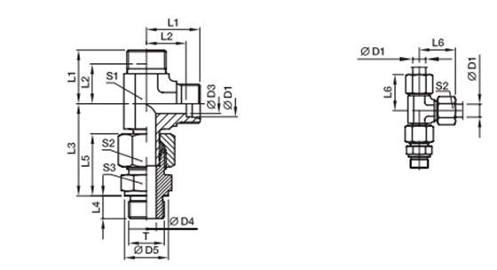
EVL-R 三通組合接頭-英制螺紋金屬密封PARKER接頭、PARKER卡套接頭
產品詳情



硬管接頭技術的領導者
作為管路元件供應商,派克一直致力于為您提供一個更高壓力,更易安裝,無需維護的無泄漏液壓系統。近年來,派克對設計和材料的不斷改進,增加了系統可靠性和安裝方便性。
派克一直是這個領域內的領導者,向市場提供先進可靠的流體動力技術,不斷建立市場的新標準。如今,派克已有十萬余種優質產品廣泛應用于各個領域。派克一直恪守追求卓越的承諾,不
斷追求更高的技術和品質。
派克硬管接頭產品包括:
EO2-Plus(公制卡套與彈性密封結合)
EO-plus 漸進式卡套接頭(金屬密封)
EO2-FORM(成型管與彈性密封)
O-Lok®(O 形圈平面密封)
24°錐焊接接頭
Triple-lok 接頭(37°擴口)
管路過渡接頭
我們可以提供各種類型的螺紋,ISO6149,公制BSPP,BSPT,NPT,UNF,SAE及法蘭接頭。